Ad Widget

Collapse

Zabbix moving data between entries.

Collapse
X
 
  • Time
  • Show
Clear All
new posts
  • Hoov
    Junior Member
    • Feb 2019
    • 15

    #1

    Zabbix moving data between entries.

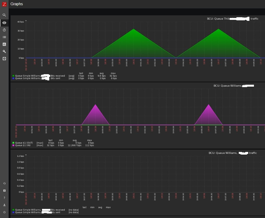
    I use zabbix to monitor a whole bunch of Mikrotik and Ubiquiti radios for a small ISP. I recently noticed something very odd. Data seems to be getting shifted between entries. That is not a very good description of what is happening, but then again I am not sure what is happening. Look at the titles for the three graphs below, and then look underneath each at what each graph is displaying. It might make more sense. And it is not all of my customers, just a couple of them. and where data ends on one graph doesn't necessarily start elsewhere, at least I have not found the connection yet. Has anyone run into anything like this? Anyway to fix it. I did restart Zabbix hoping it was just a display glitch. I also restarted the Debian Server that this is running on, for the same reason. No changes either way.
    Attached Files
  • Hoov
    Junior Member
    • Feb 2019
    • 15

    #2
    Any ideas?

    Comment

    Working...